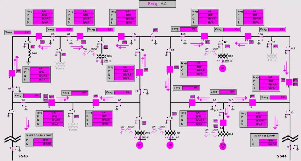
Power Automation, Monitoring & SCADA Solutions
Wunderlich-Malec excels at customized integrated solutions for control, automation and monitoring of power systems. We can work with a client’s existing control system and SCADA platform or recommend a new one. We work collaboratively with the system owner and stakeholders to determine key equipment and performance requirements for the entire control system life cycle.
Solutions
Integrated Control of Power Systems
Customized generator and source transfer schemes
High speed load shedding
Redundant control and monitoring
Platform independent, non-proprietary solutions
IED logic and communication integration, including protection
Full turn-key capabilities
RTUs, Teleprotection, SCADA and Monitoring
ISO and Utility RTUs for generation
Direct Transfer Trip schemes
Synchrophasor monitoring solutions
Single or redundant HMIs for power system SCADA
Balance of Plant SCADA for power generation
Contact Us About Your Project
Contact us to speak with one of our knowledgeable, highly skilled team members about the specifications of your project and how we can partner to meet your engineering needs.






